什么叫半桥整流,什么叫全桥整流???
的有关信息介绍如下:在半波整流器中,交流波形的正半周或负半周其中之一会被消除。只有一半的输入波形会形成输出,对於功率转换是相当没有效率的。半波整流在单相供应时使用一个二极体,三相供应时使用三个二极体。

全波整流可以把完整的输入波形转成同一极性来输出。由於充份利用到原交流波形的正、负两部份,并转成直流,因此更有效率。 全波整流有中心抽头式与桥式:
桥式全波整流
如果不是使用具有中间抽头的变压器,而只有一组输出线圈,则需使用四个二极体才能做全波整流。 令峰值电压为 Vm ,未做滤波时的平均 Vdc=0.636Vm,频率为原来 AC 频率的 2 倍,每个二极体所承受的逆向峰值电压(PIV, Peak Inverse Voltage)值是Vm。输出电压之有效值(Vrms)约为0.707Vm(最大值)。 此种方式(如图)称为桥式整流,这四个二极体合称为桥式整流器:

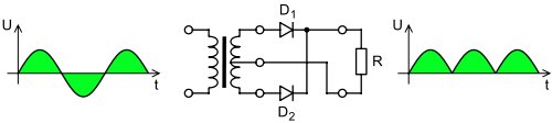
中心抽头式
对於单相交流电, 如果变压器是中心抽头型的,两个背对背的二极体(指阴极接阴极,或阳极接阳极)便可组成全波整流。 未做滤波时的平均 Vdc=0.636Vm,频率为原来频率2倍。每个二极体PIV值2Vm。 但与前述的桥式整流相比,全波整流需要两倍的变压器次级绕组,因此现今少用,但早期真空管年代较为常用




