电接点压力表接线图是怎样的?
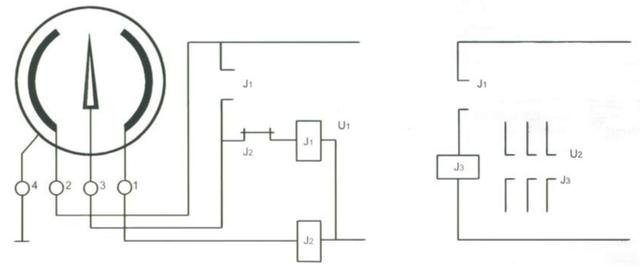
的有关信息介绍如下:图1为水泵自动上水电接点压力表控制接线图,工作过程:当水压降低时电接点压力表中间触点与低限触
点接通--经K1常闭触点到达接触器K(主接触器),K线圈得电吸合,K辅助常开触点接通,使K形成自保。持电路(这时因压力上升电接点压力表中间触点与低限触点已离开),K得电带动主触点接通电源供给水泵工作。
当压力上升到设定压力时,电接点压力表中间触点与高限触点接通,经K辅助触点到达K1(继电器)线圈,K1吸合,K1辅助常闭触点断开K线圈释放,主触点断开停止给水泵工作电源。K1线圈串入辅助触点K的目的是为了K1能够可靠关断,因压力表在高压区压力抖动造成电接点有时也会接触不可靠,所以串入辅助触点K,一但K1进入失电K也失电,K失电,K的辅助触点会将K1的回路可靠断开。

电接点压力表接线图
电接点压力表有三根接线,一根是公用的,表针是可调的,可将一个表针调到0.4M,接低压启动控制继电器,另一个表针调到0.6M,接高压停止继电器,公用线是高低压控制的公用线。

上面的指针是上限,下面的指针是下限,中间的黑色指针指示是实际压力的数值。实际压力在上限之上时,与上限接通,与下限断开。实际压力在上下限之间时,公共端与上限,下限都断开。实际压力在下限之下时,公共端与下限接通,与上限断开, 电接点压力表就是控制上下限压力用的。
1、电接点压力表是在标准压力表的基础上添加了两组电接点,电接点与压力表指针联动,可以在压力表量程内任意导通触点和关断触点,可以实现一定的压力区间的恒压控制。
2、普通压力表为一次仪表,电接点压力表可组成二次仪表功能。电接点压力表由测量系统、指示系统、磁助电接点装置、外壳、调整装置和接线盒(插头座)等组成。



